통합 컨트롤러에 달아놓은 PH 검사용 모듈입니다.
아래는 장착전 테스트 단계에서 폰카로 찍은 사진입니다.

PH 4.00 버퍼 용액

PH 6.86 버퍼 용액

마시다 남은 오랜지 쥬스….
기존 컨트롤러에 장착해 놓은 상태이며 몇일 로깅해본결과 만족할만한 결과를 보여주었습니다.
검출된 데이터 로그를 보시려면 다음 링크로 고고싱.. http://leaqua.mulple.com/aqua/chart.html
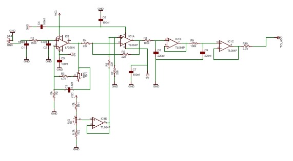
회로도 입니다.

아래 파일을 다운 받으시면 자세하게 보실 수 있습니다.
pdf:ph_meter_ver1.0
TO_ADC 로 0v ~ 3.148v 의 전압이 PH 0~14에 대응해서 출력되니 10Bit ADC 값으로 변환했을때 0.02PH 당 1의 ADC 값이 됩니다.
프로그래밍 하기 엄청 심플해 집니다. 단지 읽은 ADC 값 * 2 하면 0.01 단위로 계산이 가능해 집니다. 어차피 여러번 읽어서 나누어 주면 .. 0.01 단위로 표시 되므로 -_-;;;;
보정 방법은
RV2 에서 7.0PH 버퍼용액으로 보정을 하고..
RV1 에 4.0PH 버퍼용액이나 10.0PH 버퍼용액으로 보정을 해주게 됩니다.
RV1,RV2 가변저항은 10턴에서 15턴 정도로 해주는것이 미세조정에 좋습니다.